Esquema rueda 60 mm (Carga máxima 186 Kg ):

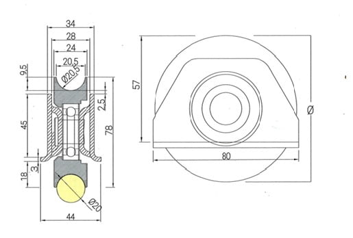
Esquema rueda 80 mm (Carga máxima 270 Kg ):

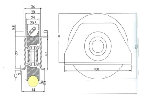
Esquema ruedas 90 y 100 mm (Carga máxima 270 Kg ):

Esquema ruedas 120 y 140 mm (Carga máxima 270 Kg ):

| Ref. | Ø | A | B | C | D | P | Carga máxima por rueda |
|---|---|---|---|---|---|---|---|
| 10006202 | 60 | - | - | - | - | - | 186 Kg |
| 10008002 | 80 | - | - | - | - | - | 270 Kg |
| 10009002 | 90 | 66 | 56,5 | 19 | 2,5 | - | 270 Kg |
| 10010002 | 100 | 71 | 61,5 | 24 | 7,5 | - | 270 Kg |
| 10012002 | 120 | 95 | 86,5 | 19 | 7,5 | 44 | 270 Kg |
| 10014002 | 140 | 106 | 96,5 | 29 | 9,5 | 46 | 390 Kg |
| RO200 | 200 |